Produits
CONVOYNORT, fabricant de systèmes de manutention depuis de nombreuses années vous présente ses convoyeurs aériens et ses convoyeurs au sol :
Convoyeur aérien monorail manuel
Nos convoyeurs manuels peuvent recevoir facilement des parties ou tronçons motorisés. Ils peuvent être équipés d'élévateurs monte et baisse, d'aiguillages...
Les balancelles, palonniers, barres de charge ou encore chariots et trolleys de nos convoyeurs manuels sont poussés ou tirés par les opérateurs, même si une ou des parties de l'installation de convoyage peuvent être motorisées.
Utilisés aussi en convoyeurs gravitaires (dans certains cas et pour certains types de pièces transportées) les déplacements des éléments suspendus peuvent être facilités par l'effet de gravité et réduiront tout ou partie des déplacements des personnels dans l'installation de convoyage.
Ces convoyeurs à effet de gravité pourront avantageusement être complétés par des zones de relèvement motorisées.
La mise en place de convoyeurs gravitaires convient pour certaines applications telles que les manutentions aériennes de sacs postaux, de sacs de linge, ou encore en boucheries ou abattoirs avec les carcasses de viandes. Une installation de convoyage aérien par gravité rencontre ses limites par le danger que peuvent représenter des charges convoyées libres en mouvement rapide, pour les personnels adjacents.
Un ou des tronçons motorisés viendront compléter le réseau de manutention aérienne pour sécuriser une zone ou encore limiter les déplacements des opérateurs.
Le rail de manutention CONVOYNORT est une autre application du monorail manuel qui s'intégrera aisément dans votre atelier de mécanique, votre garage ou encore votre lieu de production grâce à un encombrement réduit à son minimum.
Les hauteurs de l'étrier de fixation du rail à la structure, du rail et du ou des trolleys ne s'ajoutent pas les unes aux autres.
Le chemin de roulement particulièrement économe en hauteur offrira le maximum d'espace de travail.
Le trolley du rail de manutention peut être installé nu ou avec un palan, ou encore sous deux rails parallèles créant ainsi une poutre roulante, ou un pont roulant pouvant desservir une aire de travail, un poste opérateur etc.
Exemple de réseau de manutention aérienne :
Un réseau aérien de manutention CONVOYNORT peut comporter des chemins de roulements, des courbes, des aiguillages, des rails escamotables, des plaques tournantes ou encore rotondes, des parties ou tronçons motorisés, des élévateurs, des postes de pesage, des équipements particuliers et spécifiques, etc.
Le circuit de convoyage étudié avec notre bureau d'études tiendra compte des différentes contraintes du client et de son bâtiment en particulier. Le convoyeur manuel facilitera les transferts des pièces ou supports de pièces dans le réseau de manutention aérienne du client. Dans tous les cas, nos techniciens se tiennent à votre disposition pour vous permettre de mieux appréhender les différents aspects et contraintes à prendre en compte avant la mise en place de votre monorail manuel.
Exemple de rail de manutention :
Convoyeur aérien monorail à chaîne
Nos convoyeurs à chaîne sont fréquement utilisés dans des lignes de mise en peinture comprenant un tunnel de traitement de surface, une étuve de séchage...
Le convoyeur monorail à chaîne CONVOYNORT forme un circuit en boucle fermée.
Du petit carrousel au circuit long incluant des différences de niveau, le convoyeur à chaîne vous apportera les avantages décrits ci-dessous.
Les pièces ou les charges transportées sont suspendues directement à la chaîne du convoyeur ou via des supports intermédiaires comme des barres de charges, des palonniers, des dispositifs de rotation, des crochets, des liens, etc.
La chaîne du convoyeur aérien se déplace à l’intérieur d’un rail en forme de C.
Les chaînes sont dotées de galets porteurs et directeurs assurant ainsi un passage sans frottement dans les courbes horizontales et verticales. Les courbes sont des profils cintrés ne nécessitant aucun galet additionnel de maintien ni roue de renvoi. Grâce à sa solidité et à sa conception, la chaîne à cardan transportera vos pièces sans aucun effort tout au long de votre long et sinueux circuit de convoyage.
Dépendant de la charge total transportée, de la longueur du circuit du convoyeur, etc. un ou plusieurs groupes de traction entraîneront la chaîne du convoyeur en mouvement continu ou en pas à pas.
Chaque groupe d’entraînement comporte son propre limiteur de couple réglable qui protège la chaîne du convoyeur et le groupe d’entraînement lui-même d’une surcharge.
Réglée par un variateur de fréquence ou non, la vitesse de la chaîne ou le temps de cycle restent des caractéristiques à préciser pour chaque convoyeur monorail à chaîne.
Des robots aux postes de chargement et déchargement, des monte et baisse aux stations de trempage, des manipulateurs avec pinces de levage, ou encore des palonniers de préhension, etc. peuvent venir compléter l'installation de manutention.
L’équipe technique CONVOYNORT répondra à tous vos besoins par des solutions adaptées et innovantes. Les convoyeurs aériens à chaîne CONVOYNORT sont fréquemment utilisés dans le domaine de la peinture et des lignes de finition avec tunnel de traitement de surface, de grenailleuse, de four de séchage ou de cuisson, d’une ou 2 cabines de peinture.
Le convoyeur monorail à chaîne peut être installé en position inversée. Dans la majorité des cas, le monorail est livré prêt au montage.
Les rails, les courbes, les divers équipements constituant le convoyeur s'assemblent les uns aux autres par simple boulonnage selon un plan de montage fourni, de sorte qu'il soit facile d'en effectuer la pose sans avoir recours à nos services si le client le souhaite.
Convoyeur aérien monorail à chaîne inversée
Pour atténuer les chutes de salissures sur les pièces convoyées, provenant de la chaîne de convoyage, la mise en position inversée présente l'avantage d'éviter un...
Le convoyeur aérien CONVOYNORT en position inversée sera utilisé dans tous les domaines où les pièces convoyées doivent rester propres de toute chute d'huile ou de salissure tombant de la chaîne de convoyage.
Le convoyeur inversé offre l'avantage d'éviter un carter additionnel tout le long du circuit de manutention.
Les rails, les courbes du convoyeur à chaîne inversée CONVOYNORT peuvent être réalisés en inox. Les pièces d'accrochage en C, les supports des pièces transportées peuvent aussi être réalisés en inox. Dans sa version inox le monorail inversé représente un système de convoyage innovant et propre pour des installations de manutention qui le nécessitent.
Convoyeur aérien inversé pour ligne d'application de peinture
Les lignes d'application de peinture qui intègrent des étuves, des fours de cuisson pourront avantageusement être dotées de convoyeurs à chaîne inversée CONVOYNORT prévus pour des utilisations à haute température.
Le monorail à chaîne inversée CONVOYNORT se décline aussi en convoyeur à transferts, cumulant alors les deux avantages de taille :
Le convoyeur à transferts en position inversée permet de desservir deux cabines de peinture installées en parallèle tout en évitant les chutes de salissures sur les pièces peintes.
Monorail aérien à chaîne inversée pour l'industrie alimentaire
De nos jours, le niveau de qualité attendu pour une installation de manutention aérienne et spécialement celui de la propreté sensible dans l'industrie alimentaire rend nécessaire l'utilisation de convoyeurs aériens propres. CONVOYNORT offre une large gamme de monorails à chaîne destinée à l'industrie alimentaire.
En inox pour les rails, les courbes, les pièces en C, les balancelles paniers ou supports; le monorail aérien inversé CONVOYNORT évite les salissures tombant sur les aliments convoyés.
Les autres avantages de la gamme CONVOYNORT demeurent :
- L'utilisation de composants de haute qualité dans la fabrication de nos systèmes de manutention, qui offriront une longue durée de vie à votre installation.
- La modularité des éléments fournis, l'assemblage par boulonnage sur le site de montage, sans soudure.
- Ces avantages feront d'une installation CONVOYNORT, un moment sans souci. Le monorail à chaîne inversée sera l'outil idéal pour votre prochain investissement.
Les caractéristiques des monorails à chaîne inversée présentés sont identiques aux monorails à chaîne des séries 1200 et 1000.
Convoyeur aérien birail
Nos convoyeurs aériens double voie (Power & Free) ne nécessitent aucun ressort, embrayage, biellette ou autre, ce qui constitue un avantage important en terme d'entretien...
Les birails CONVOYNORT sont conçus pour offrir la meilleure solution à votre installation de manutention.
Au bas de cette page de présentation des systèmes P&F CONVOYNORT, vous trouverez les produits disponibles selon les charges à transporter en cliquant sur le modèle de votre choix.
Les circuits de manutention motorisés comprennent des zones de stocks, des stations d’arrêts, des aiguillages, des stations de pesage, des élévateurs ou systèmes de levage, des dispositifs de mise en rotation, des plaques tournantes etc. qui équiperont votre convoyeur birail.
Parmi tous les convoyeurs, le birail offre le maximum de possibilités, cumulant les avantages techniques des autres convoyeurs. Un système P&F est un convoyeur motorisé à l’intérieur duquel des vitesses de déplacement différentes mais aussi des déplacements manuels peuvent être inclus.
Le convoyeur birail peut être regardé comme l’opposé d’un convoyeur manuel qui lui peut recevoir une ou plusieurs parties motorisées.
Les pièces à transporter sont suspendues aux trolleys, barres de charges ou palonniers lesquels sont entrainés par la chaîne du convoyeur. La chaîne est régulièrement équipée d’entraîneurs.
Une installation de convoyage birail peut recevoir une ou plusieurs chaînes d’entraînement ayant des vitesses différentes de défilement. Le convoyeur birail peut être situé au niveau du sol ou dans une fosse. Les charges à convoyer sont placées sur des supports adaptés et transportées par le convoyeur birail au sol. Le contrôle des flux du système de manutention aérien ou au sol est contrôlé par l’automate du convoyeur. Le niveau d’automatisme du birail dépend de chaque circuit de manutention et des connections possibles avec d’autres armoires électriques. Les écrans tactiles, les lecteurs code à barre etc. viendront compléter l’ensemble de l’installation. En tant que fournisseur d’installations clefs en main, CONVOYNORT fournit l’ensemble du système de gestion. Les principes d'entraînement et d'accumulation des convoyeurs aériens birails CONVOYNORT sont simples, fiables et éprouvés par de très nombreuses réalisations.
Tous les birails CONVOYNORT utilisent le même principe d’entraînement et d’accumulation. Simple et efficace, ce principe assure efficacement les fonctions attendues sans aucun entretien.
Le principe d'entraînement et d'accumulation ne nécessite aucun ressort, embrayage, biellette ou autre, ce qui constitue un avantage important en termes d'entretien.
Rechercher un produit qui réponde au besoin avec le minimum d’entretien pour le convoyeur birail représente une part essentielle de l’exigence client. La large gamme de convoyeurs birails CONVOYNORT offrira une réponse appropriée à vos besoins.
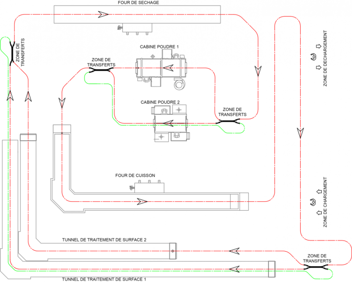
Convoyeur aérien à transferts
Pour desservir deux cabines de peinture installées côte à côte, le convoyeur à transferts peut remplacer avantageusement le birail, tout en restant sur la base d'un monorail à chaîne.
En amont des deux cabines de peinture, un premier transfert (équivalent d'un aiguillage) permet d'orienter ou non les pièces transportées vers la deuxième cabine de peinture.
A la sortie de la deuxième cabine de peinture, les pièces repartent (second transfert) vers la voie principale. Nos systèmes de transferts ne nécessitent aucun automatisme, vérin etc.
Les transferts s'éffectuent sans à-coup. Le passage des pièces transportées en deux points ou via des palonniers est aussi compatible avec les transferts.
Une même installation peut desservir par exemple:
deux cabines de peinture (transfert simple 2 itinéraires).
deux cabines de peinture et deux tunnels de traitement de surface (transfert double 4 itinéraires).
Exemple de réalisation :
Les convoyeurs à transferts peuvent aussi être installés en position inversée.
Manutention aérienne avec pont roulant
Ponts roulants, poutres roulantes ou transbordeurs. Palan avec translation manuelle ou motorisée. Ils se combinent avantageusement avec les monorails manuels de la série 400, 500 et 700 selon le type de charge à transporter.
Utilisés pour la desserte de zones de travail à l'aide de portiques de soutien ou encore de potences dans d'autres cas. Alimentation des palans par gaine électrique ou guirlande.
Poutre roulante transbordeur
Nos convoyeurs monorails manuels peuvent être organisés en transbordeurs avec poutres roulantes. D'une grande souplesse d'utilisation, les poutres roulantes offrent des gains...
Les convoyeurs manuels CONVOYNORT peuvent être organisés en transbordeurs avec poutres roulantes. D'une grande souplesse d'utilisation, les poutres roulantes offrent des gains de place importants.
Principalement utilisés en installation de peinture, ou en aménagement de postes de travail, le transbordeur permet d'associer à la fois la manutention à des besoins de tri.
Des rails fixes installés de part et d'autre du ou des transbordeurs servent de stocks ou de dessertes. L'utilisateur de la poutre roulante peut alors choisir dans le stock la pièce qu'il veut traiter. (voir vidéo transbordeur)
Convoyeur aérien pour porte coupe-feu, porte hermétique, porte à rideau etc.
Les rails escamotables permettent la continuité du convoyage lors du franchissement d'une porte à rideau, porte étanche, porte coupe-feu etc.
Exemple de convoyeur traversant la porte coulissante étanche d'un four de cuisson à 250°C équipé de 3 rails.
Les 3 rails escamotables fonctionnent ensemble et sont fermés ou ouverts si la porte coulissante est ouverte ou fermée.
Les installations avec transbordeurs et poutres roulantes peuvent être associées à des circuits monorails comprenant des aiguillages, plaques tournantes, élévateurs, etc.
Le monorail manuel peut être utilisé en transbordeur. Ici pour l'introduction de plusieurs charges en même temps dans un four de cuisson, pour diminuer le temps d'ouverture des portes.
Souvent indispensables, les élévateurs peuvent être installés aux postes de chargement ou de déchargement afin de faciliter le travail des opérateurs, mais aussi dans les zones de traitement le nécessitant.
Les monte et baise les plus courants ont deux niveaux extrêmes, le haut et le bas. La course de levage est la distance entre ces deux niveaux. Au poste de travail, l'opérateur utilise la télécommande pour choisir le niveau nécessaire entre ces deux extrémités.
Cas particulier moins habituel d'un élévateur à 3 niveaux à l'intérieur d'une cabine de peinture. La course de levage est toujours la distance entre le niveau le plus bas et le niveau le plus haut. Le niveau intermédiaire peut être le niveau d'arrivée et de sortie des pièces transportées par le convoyeur. Le plus haut niveau est utilisé pour peindre sous les pièces. L'équipe CONVOYNORT répondra à tous vos besoins en terme de système de levage standard ou spécifique.
Le dispositif de levage peut être entrainé par un palan électrique. Dans certains cas, un palan pneumatique offrira une alternative intéressante à l'électrique pour le respect des normes ATEX.
Pour des charges légères, les sections de trempage, les unités de levage, les stations de travail etc. peuvent être équipés avec des vérins pneumatiques.
Manutention spéciale
Portique de levage pour l'aéronautique
De nombreux portiques de levage industriels ont été construits par CONVOYNORT afin de créer des mouvements spéciaux pour des machines dans le domaine de l'aéronautique. Celui-ci a été construit en 34 exemplaires.
Sa particularité est la pente inclinée suivie par la charge pendant le déplacement. Ici la charge est un casque de chauffage par polymérisation dont le poids va jusqu'à 2000 KG. Le casque doit être appliqué le plus horizontalement possible sur le bord de l'aile, qui attend sur des supports spéciaux.
Le système de contrôle, calcule en permanence l'horizontalité du casque grâce à des cellules à infrarouge et rectifie le niveau en permanence.
Une fois terminée, le casque se déplace horizontalement vers l'arrière du portique pour se mettre en position de sécurité, afin que l'opérateur puisse accéder au poste de travail.
Monte et baisse à 2 fonctions
CONVOYNORT a développé un élévateur pour barres de charge mobiles permettant à la fois une aide à la manutention avec un mode de fonctionnement opérateur et un mode automatique préparatoire au trempage.
Le dispositif de levage ainsi conçu assure une grande stabilité de la charge transportée, et une totale mise en sécurité des opérateurs devant les cuves de trempage.
Monte et baisse pour poutre roulante
Cet élévateur ou monte et baisse pour poutre roulante, a été développé pour simplifier les opérations de manutention de l'opérateur.
La spécification la plus importante est la nécessité de maintenir la barre de charge et les pièces à transporter le plus horizontalement et dans la position la plus stable possible, pour le levage et les mouvements horizontaux.
Le résultat est un élévateur qui se déplace avec la poutre mobile et est capable de couvrir toute la zone de travail.
De plus, notre système de poutre roulante permet à l'opérateur une grande souplesse dans le choix des pièces à traiter.
Elévateur spécial
Cet élévateur CONVOYNORT pour charges allant jusqu'à 150 KG a été étudié pour diminuer sa hauteur pour des raisons pratiques.
Situé en dessous d'une plate-forme existante, la hauteur pour installer le système de levage était trop courte pour la course désirée de 3 mètres.
Plutôt que d'adapter l'appareil de levage au-dessus de la pièce de travail, il a été décidé de transformer le mouvement vertical en un mouvement horizontal facilitant ainsi la localisation du système de levage sur le côté de la plate-forme.
La facilité d'accès à tous les équipements est une priorité. Ceci est un bon exemple de combinaison entre la recherche d'une solution de levage innovante et le besoin d'un accès au palan électrique.
Rail de manutention
Les chemins de roulement CONVOYNORT sont des profils en forme de C de différentes sections.
La section du rail de manutention dépend principalement de la masse et des dimensions de la ou des charges transportées.
Selon le cas on utilisera un rail CONVOYNORT de section :
- 40 mm × 40 mm × 3 mm
- 60 mm × 68 mm × 4 mm
- 100 mm × 120 mm × 6 mm
Le choix peut aussi être influencé par la distance possible entre deux points d'accrochage du rail et le nombre de chariots mobiles que comportera le circuit de manutention aérienne.
Monorail manuel - Série 700
Monorail manuel - Série 400
Monorail manuel - Série 500
Chariots mobiles en inox
Les trolleys ou chariots de manutention voyagent à l'intérieur du chemin de roulement.
En simples lignes droites, ou en circuit intégrant des courbes ou des aiguillages, CONVOYNORT répondra à votre besoin en matière de rail de manutention via ses différents modèles de convoyeurs manuels. Pour tous les monorails manuels de la gamme CONVOYNORT une ou des solutions de motorisation existent.
Du chariot mobile automoteur, à la chaîne d'entraînement en passant par une motorisation latérale locale ou ponctuelle, il existe chez CONVOYNORT de multiples moyens de motoriser un tronçon, une zone, un circuit de convoyage, etc.
Ci-après un résumé en photos des rails de manutention avec chariots mobiles disponibles.
Le chariot mobile manuel, ou motorisé avec chariot automoteur, se déplaçant dans le rail de convoyage ou de manutention pourra recevoir selon le besoin un palan mécanique ou motorisé.
Cette présentation des différents modèles de chariots mobiles de manutention ne serait pas complète sans son complément en position inversée.
Les charges à transporter sont suspendues aux chariots mobiles dans un convoyeur installé en position inversée. Le principal avantage d'un monorail manuel inversé est un gain de place assez significatif dans certains cas.
Exemple de montage d'une poutre roulante mobile au plus près du plafond.
La poutre roulante ou traverse mobile est reliée à deux trolleys longs voyageant chacun dans un rail de manutention en position inversée.
Pour certaines applications, l'utilisation de l'inox pourra être requise.
Nous consulter pour les rails de manutention inox et chariots mobiles inox.
Manutention avec convoyeur au sol
Il existe dans notre gamme plusieurs modèles de convoyeurs au sol.
Chacun d'entre eux a été conçu en fonction de la charge, du type d'entraînement, etc.
Les caractéristiques communes aux modèles présentés sont :
- La chaîne à cardan voyage dans un rail en acier.
- La charge à transporter est placée au dessus du rail.
- Le convoyeur au sol est fixé grâce à des petits poteaux ancrès au sol.
- Les charges peuvent être mises en rotation, indexées.
- Le convoyeur au sol peut avoir un fonctionnement en continu ou intermittent. (Voir vidéo convoyeur au sol)
Convoyeur pour flacons de parfum dans une verrerie.
Le convoyeur présente l'avantage de positionner les ouvertures des rails vers le bas. Il se prémunie ainsi contre toute chute ou éclat de verre à l'intérieur des rails.
En savoir plus
- Comment fonctionne un convoyeur aérien manuel ?
- Pourquoi utiliser un monorail aérien à chaîne inversée dans l'industrie alimentaire ?
- Comment fonctionne un système de convoyeur aérien monorail ?
- A quoi sert un convoyeur au sol ?
- Quels sont les avantages d'utiliser un convoyeur aérien monorail à chaîne inversée pour une ligne d'application de peinture ?
- Quelle est la capacité de charge d'une manutention aérienne ?
- Qu'est-ce qu'une poutre roulante transbordeur ?
- Quel est l'importance des portiques de levage pour l'aéronautique ?
- Quels sont les avantages d'utiliser un convoyeur aérien birail ?
- Quels sont les avantages d'utiliser un convoyeur aérien monorail dans une chaîne de production ?
- Qu'est-ce que la manutention avec convoyeur au sol ?
- Quels sont les avantages d'utiliser un convoyeur au sol pour la manutention de produits ?
- Comment décrire un rail de manutention en termes simples ?
- Quels sont les bénéfices de l'utilisation d'un rail de manutention ?
- Quelle est la limite de charge d'un convoyeur aérien monorail manuel ?